首頁 >> 產品中心 >> 產品方案開發-PCBA
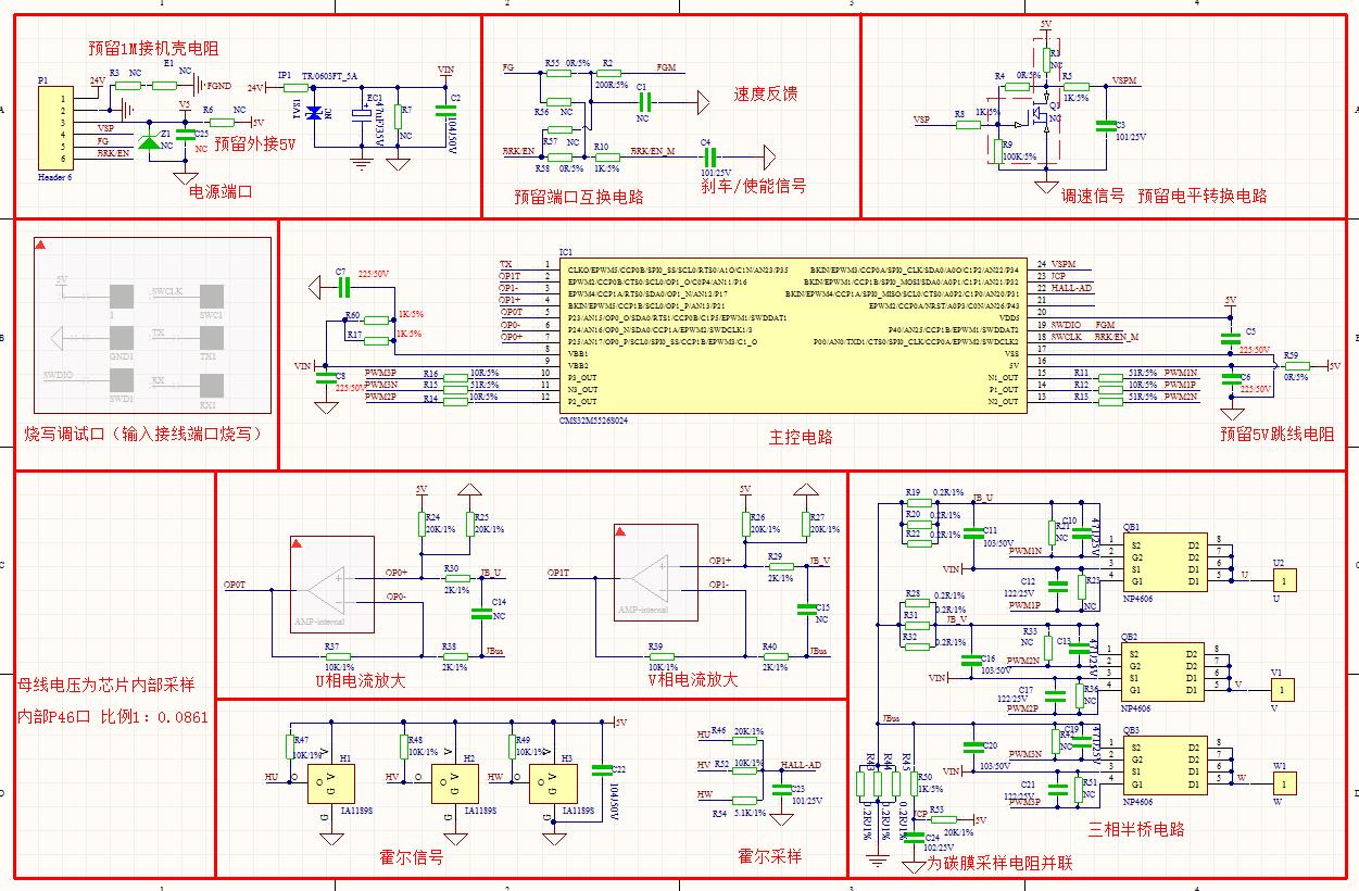
本 方 案 采 用 本 司 的 CMS32M5526SS024 微 控 制 器 作 為 主 控 芯 片 。 CMS32M5526SS024 是一款基于 32 位 ARM? Cortex?-M0 內核的微控制器, 同時內置 P+N 驅動芯片,與傳統方案相比,集成度高,保證了高性能、低功 耗、代碼密度大等優勢。 CMS32M5526SS024 具有 3 組 P+N PWM 驅動輸出,可產生 6 路帶死區 PWM 信號,豐富的中斷機制和 ADC 觸發,更適合電機驅動。12 位 ADC 輸入, 高達 1.2MSPS 轉換速率,快速讀取電壓、電流值,及時對過壓、過流進行保 護,內置一路運放,兩路 OP,可省去電流采樣處的外置運放,省去外部 MOS 驅動芯片,簡化電路,降低成本。放大器及 OP 輸出可直接作為 ADC 輸入, 不用外部引線,占用引腳資源。通用 GPIO,支持多種工作模式,可編程控制 中斷。
