



GP7596XX是一款用于替代反激變換器副邊肖特基二極管的高性能同步整流功率開關,內置超低導通阻抗功率MOSFET以提升系統效率。
GP7596XX支持“浮地”和“共地”同步整流兩種架構。同時支持DCM,QR及CCM工作模式。
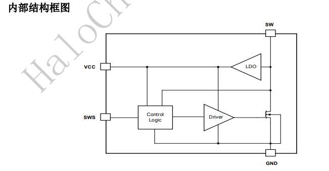
GP7596XX內置VCC高壓供電模塊,無需VCC供電繞組,降低了系統成本。
GP7596XX內部集成有VCC欠壓保護功能。
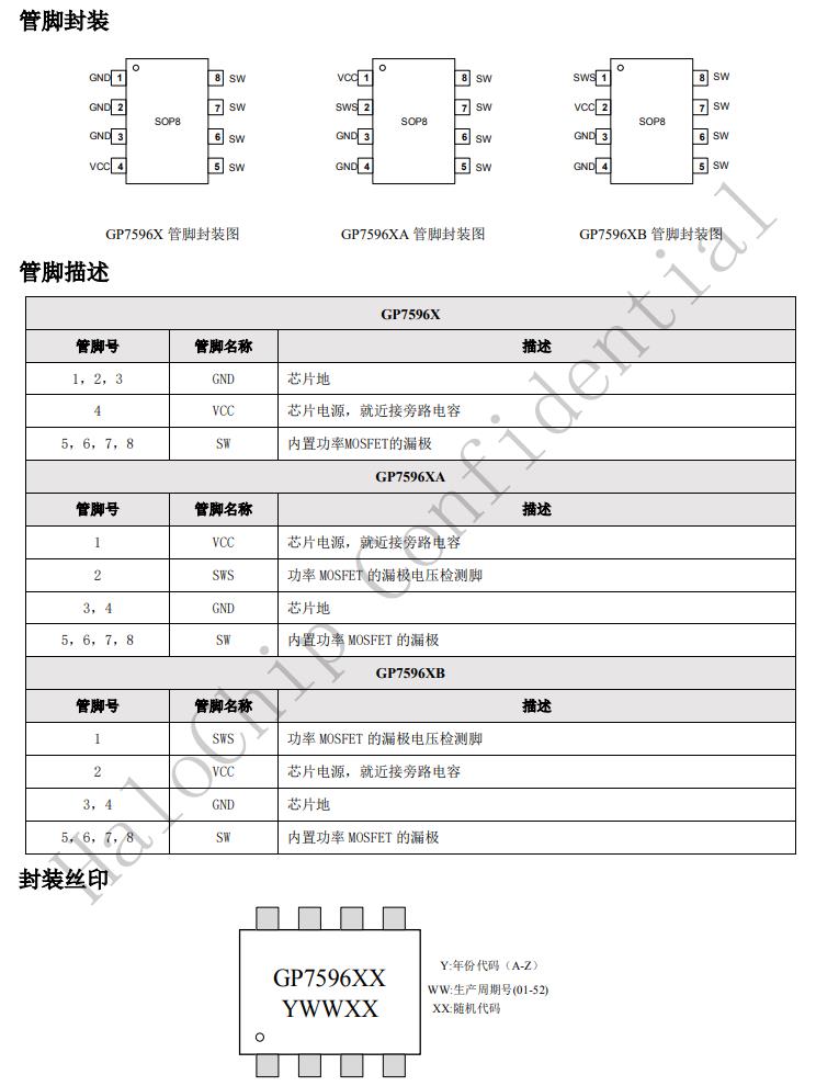
GP7596XX采用SOP8封裝
特點
反激拓撲副邊同步整流功率開關支持“浮地”和“共地”同步整流兩種拓撲支持DCM,QR及CCM工作模式低靜態電流內置高壓供電模塊,無需輔助繞組供電欠壓保護
應用
反激變換器適配器充電器其它電源等




