



LP35118 是高性能高耐壓的副邊同步整流控制系列 芯片,適用于 AC-DC 的同步整流應用,適用于正 激系統和反激系統。LP35118 支持 DCM 和 CCM 多 種工作模式。
LP35118 采用專利的整流管開通判定技術,可以有 效的避免因激磁振蕩引起的驅動芯片誤開通。 LP35118 具有極快的關斷速度,可以大幅度降低在 CCM 工作條件下因關斷延遲造成的效率損失。
LP35118 集成 VCC 供電技術,在不需要輔助繞組 供電的情況下,保證芯片 VCC 不會欠壓。
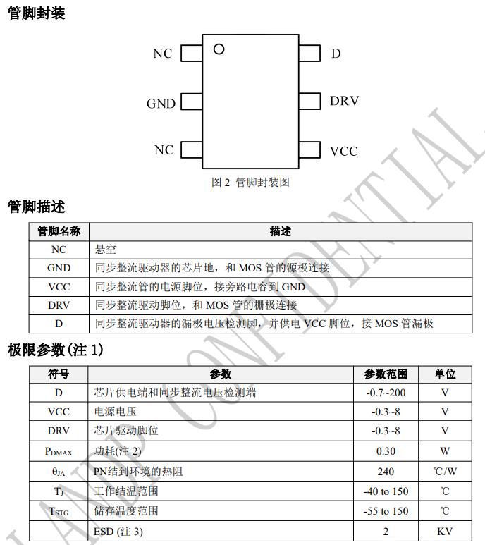
LP35118 采用 SOT23-6L 封裝。
特點 ? 隔離型的同步整流控制應用 ? 適用正激和反激系統 ? 兼容 DCM 和 CCM 多種工作模式 ? 控制芯片 200V 高耐壓 ? 驅動低閾值 NMOS ? 專利的整流管開通技術
? 極快的關斷速度 ? 可調的同步 MOS 關斷閾值 ? 集成 VCC 供電技術 ? 芯片供電欠壓保護 ? 芯片過壓鉗位 ? 芯片啟動前驅動腳防誤導通 ? 外圍元器件少
應用 ? 充電器和適配器的同步整流 ? 正激控制器和反激控制器



