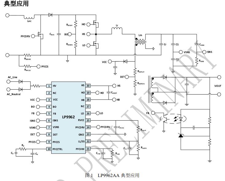
LP9962AA 是一款帶有高壓半橋驅動的全集成 PFC 和 LLC 控制器。內部實現了 600V 的高壓柵極驅動, 使得可以采用極簡的外圍元件,就可以實現高效、 可靠的 LLC 諧振系統。自適應的死區時間控制可以 極大的改善系統的效率。特有的突發控制模式,可 以滿足同時實現輕載下的高效率和空載下的低待 機功耗。 LLC 采用模擬雙向電流控制環路;PFC 采用 CCM 控制模式。
LP9962AA 內部集成多重保護機制:LLC 部分有完 善的輸入過/欠壓保護、系統輸出過/欠壓保護、輸 出過流保護、容性區保護以及過溫保護等;PFC 部 分有電感過流保護、過功率限制、輸入欠壓保護、 輸出過/欠壓保護以及過溫保護等。
LP9962AA 采用 SOP20 封裝。
LLC 部分 ? 采用模擬雙向電流控制環路 ? 自適應死區時間控制 ? 突發模式的外部可編程并引入線電壓補償 ? 數字算法輸入功率控制,保證不受線電壓影響 ? 支持較寬的工作頻率范圍35KHz~1MHz ? 內置高壓啟動 ? 具有X電容放電功能
? Boot diode內部集成 ? 優秀的EMI和音頻特性 ? 上電諧振電容放電功能 ? 內置軟啟動電路 ? 多重保護機制: ☆ 輸入過壓/欠壓保護 ☆ 輸出過壓/欠壓保護 ☆ 輸出過流保護 ☆ 容性區保護 ☆ 過溫保護
PFC 部分 ? CCM平均電流模式 ? 快速動態響應 ? 多重保護機制: ☆ 電感過流保護 ☆ 過功率限制 ☆ 輸入欠壓保護 ☆ 輸出過壓/欠壓保護 ☆ 過溫保護
應用 ? TV開關電源 ? LED照明 ? AC-DC適配器 ? PC電源適配器


