首頁 >> 產品中心 >> BPS晶豐明源 >> AC/DC隔離低PF
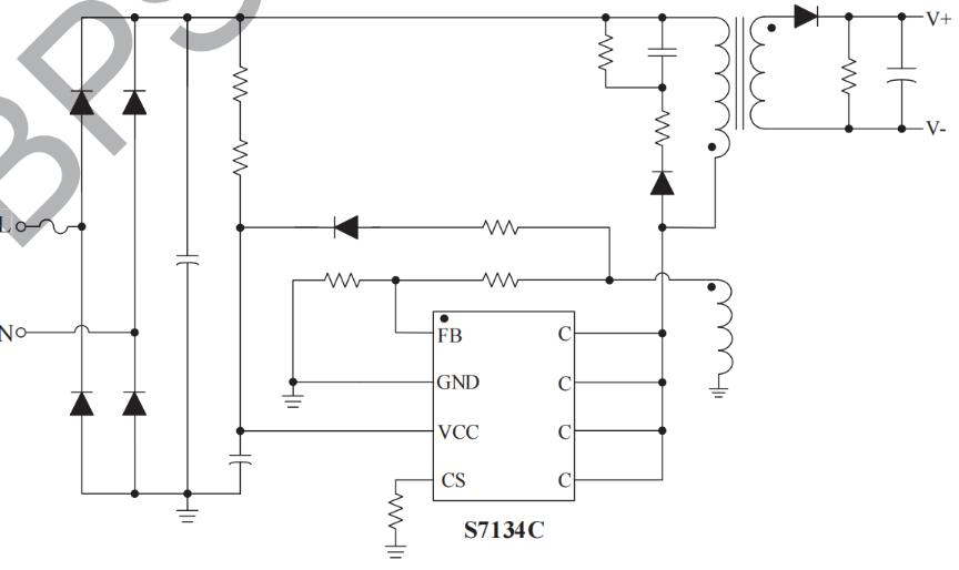
S7134C是一款高性能恒壓恒流原邊反饋控制器,適用于各種低功耗AC/DC充電器和適配器應用場合。該控制器采用原邊反饋控制機制,無需光和TL431即可以實現高精度的電壓輸出。 S7134C具有多重的保護功能,包括輸出開路、短路保護VCC過壓保護,過溫保護等。 S7134C采用SOP-8封裝。
優勢
≤75mw待機功耗,滿足六級能效要求
準諧振工作機制,提高系統效率
峰值電流漸變抖動改善EMI
內置功率三極管
恒壓、恒流精度高
輸出線損補償可調
內置輸入線電壓補償
輸出過壓、短路保護
VCC電壓過壓保護
過溫保護
應用領域
手機、無繩電話、PDA、MP3和其它便攜式設備等的適配器、充電器
LED驅動電源
線性電壓和RCC開關電源升級換代
PC、TV等設備使用的輔助電源
