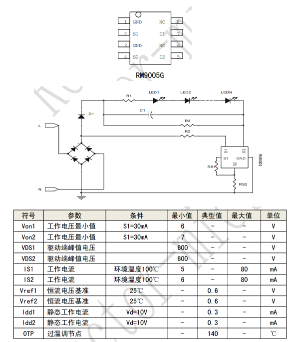
RM9005G is a single-channel dimming LED constant-current drive control chip, which can directly drive high-voltage LED strings. The output current is set by an external SENSE resistor, and the output ...
RM9005G is a single-channel dimming LED constant-current drive control chip, which can directly drive high-voltage LED strings. The output current is set by an external SENSE resistor, and the output current ranges from 5 mA to 80 mA, and the output current is constant at the set value. The chip system has simple structure, few peripheral components and simple circuit.

Application field:
LED fluorescent tubes T5/T8/T10…
LED bulb lamp/corn lamp/candle lamp …
Other low-power LED lighting
The peripheral circuit is simple, and no magnetic elements are needed.
Support SCR dimming application
Multi-chip series or parallel application
Chip can share PCB board with LED.
The LED current can be set externally.
Chip application circuit has no EMI problem.
Built-in 600V high voltage MOS
The chip has the ability of over-temperature regulation.
Adopt ESOP8 package.