PM2036是一款功能高效率的兼容可控硅調光 LED線性驅動芯片,電源系統結構簡單,只需很 少的外圍元件就可以實現非常優秀的恒流特性。 在實現精簡的外圍電路、較小的驅動器體積的同 時,大大降低了系統成本。
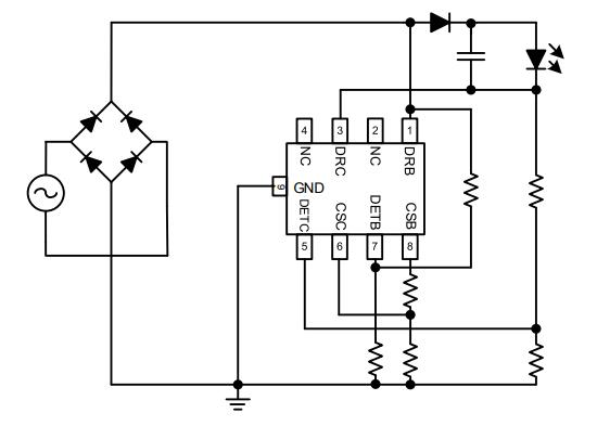
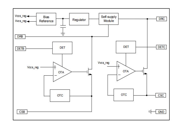
PM2036內部集成了兩個固定恒流源,兩個恒流 源之間的關系可以靈活配置,既可以獨立使用, 又可以并聯使用。獨立使用時,PM2036可以實現 單顆IC同時控制兩路LED,滿足可控硅調光的照 明應用;關聯使用時,PM2036有著異常靈活的應 用方案,既可以兼顧高功率因數,也可以配置成 功率因數大于0.9的光電一體化方案,可以使用傳 統可控硅調光器調光。
PM2036采用了500V的高壓半導體制造工藝以 確保市電瞬變時的可靠性;內部集成了過溫度補 償電路以避免驅動器的熱失效。PM2036還集成 了各種保護功能,包括輸出開路、CS開路保護。 從而提高了LED恒流電源的可靠性。
特點 ? 效率比傳統線性可控硅調光高10%。 ? 兼容傳統可控硅調光線路使用 ? 高功率因數,PF>0.9 ? 支持全貼片設計方案 ? 過溫補償功能 ? 輸出開路保護 ? ESOP8封裝
應用 ? LED燈絲燈 ? LED球泡燈,蠟燭燈 ? 其他室內LED照明



